
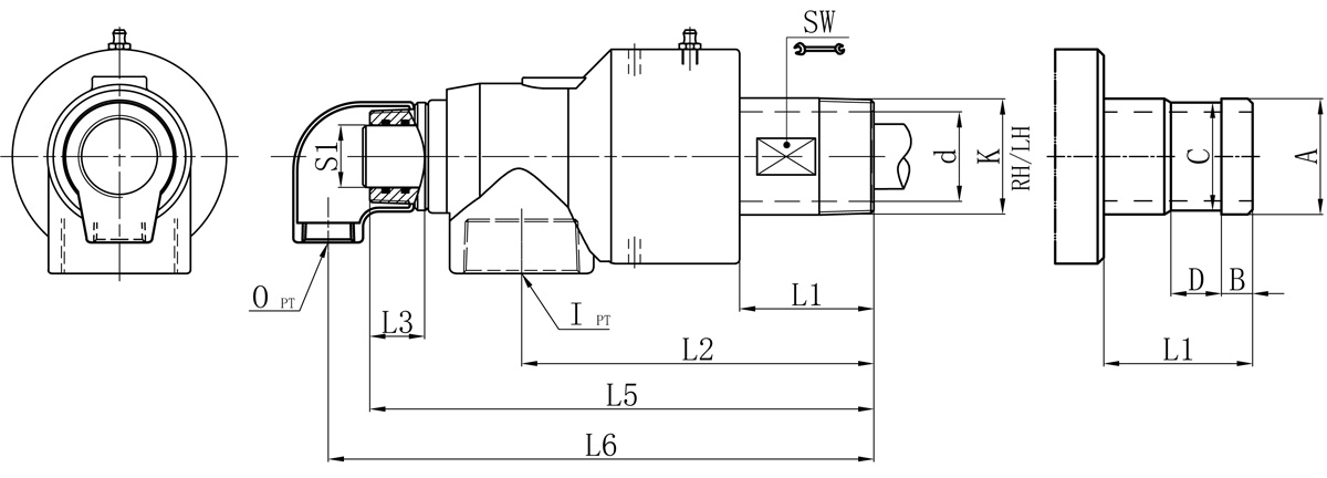
| Model | K | I | O | S | S1 | d | L1 | L2 | L3 | L5 | L6 | SW | ·¨À¼Ê½Íâ¹Ü³ß´ç±ÈÕÕ±í | |||
| A | B | C | D | |||||||||||||
| 50A | R2" | Rp2¡± | Rc1" | Rp1¡± | 32 | 46 | 69 | 181 | 25 | 261 | 285 | 57 | 60 | 16 | 57 | 24 |
ÈçÊô¹æ¸ñÆ·Í⣬±¾¹«Ë¾¿ÉÅäºÏÒªÇóÖÆ×÷¡£¡£
¹æ¸ñ³ß´çÈôÓÐÐ޸ģ¬Ë¡²»ÁíÐÐ֪ͨ¡£¡£
¹ØÓÚCA88
CA88¼ò½é ÆóÒµÎÄ»¯ ¿ªÕ¹Àú³Ì ÊÖÒÕˢРÉú²úÖÊÁ¿ ÆóÒµÉùÓþ ÊÓÆµÖÐÐIJúÆ·ÖÐÐÄ
ÐýתÌÖÂÛ ½ðÊôÈí¹Ü ʯīÅä¼þÐÂÎÅÖÐÐÄ
¹«Ë¾ÐÂÎÅ ÐÐÒµÐÂÎÅ Õ¹»áÐÅÏ¢ ÊÖÒÕÎÄÕÂÊÖÒÕÖ§³Ö
²úƷĿ¼ ×°ÖÃ×ÊÁÏÈËÁ¦×ÊÔ´
Åàѵ»úÖÆ ¿ªÕ¹Æ½Ì¨ н³ê¸£Àû ÕÐÆ¸ÐÅÏ¢¹Ø×¢ÎÒÃÇ

ÁªÏµCA88
ÌìÏÂͳһ·þÎñÈÈÏßCopyright ?CA88 °æÈ¨ËùÓÐ ÃöICP±¸05026600ºÅ Öлú±ê×¼»¯Ñо¿Ôº ÍøÕ¾½¨É裺¿ÆÎ°ÍøÂç