
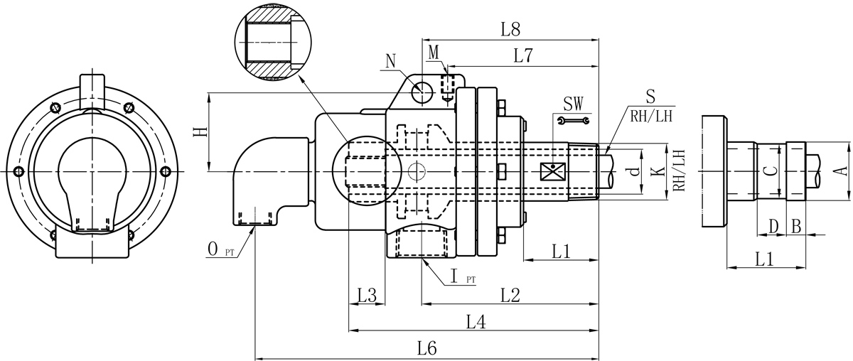
RN
| Model | K | I | O | S1 | d | L1 | L2 | L3 | L4 | L6 | L7 | L8 | M | N | H | SW | 法兰式外管尺寸比照表 | |||
| A | B | C | D | |||||||||||||||||
| 32A | R1-1/4" | Rc1" | Rc1/2" | 20 | 30 | 51 | 122 | 30 | 184 | 238 | 108 | 139 | M10 | 14 | 60 | 41 | 40 | 13 | 38 | 20 |
| 40A | R1-1/2" | Rc1-1/4" | Rc3/4" | 25 | 36 | 62 | 143 | 35 | 200 | 278 | 133 | 149 | M10 | 16 | 71 | 45 | 47.8 | 13 | 45 | 20 |
如属规格品外,,,本公司可配合要求制作。。
规格尺寸若有修改,,,恕不另行通知。。

RT
| Model | K | I | O | S | d | L1 | L2 | L3 | L4 | L6 | L7 | L8 | M | N | H | SW | 法兰式外管尺寸比照表 | |||
| A | B | C | D | |||||||||||||||||
| 32A | R1-1/4" | Rc1" | Rc1/2" | Rp1/2" | 30 | 51 | 122 | 30 | 184 | 238 | 108 | 124 | M10 | 14 | 60 | 41 | 40 | 13 | 38 | 20 |
| 40A | R1-1/2" | Rc1-1/4" | Rc3/4" | Rp3/4" | 36 | 62 | 143 | 35 | 200 | 278 | 133 | 149 | M10 | 16 | 71 | 45 | 47.8 | 13 | 45 | 20 |
如属规格品外,,,本公司可配合要求制作。。
规格尺寸若有修改,,,恕不另行通知。。
Copyright ?CA88 版权所有 闽ICP备05026600号 中机标准化研究院 网站建设::科伟网络